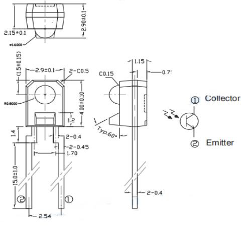
-Type: Sensor LED
-Specifications: straight insertion, patch
-Power: 75wm
-Number of chips: single core
-Chip brand: Wafer
-Luminous angle: 60 °
-Glow color: invisible light
| type Number |
Peak wave(nm) |
Bright current(MA) |
Collector emitter saturation voltageVce (SAT) (V) |
Collector emitter breakdown voltage(Vceo) |
angle(deg) |
current(mA) |
| 968PT |
nine hundred and forty |
0.7-2.0 |
zero point four |
thirty |
||
Address: 5th Floor, Building 12, Changfeng Industrial Park, Dongkeng, Fenghuang Street, Guangming District, Shenzhen, Guangdong Province
Phone: 17727428719 (Manager Liu)
Email: led_best@163.com

Copyright ? 2023 Tianshi All Rights Reserved 粵ICP備2021179733號